1、絲桿前后往復運動;
2、最大推力900N;
3、簡化結構設計,降低結構成本;
4、機身長度、絲桿長度、導程可根據客戶要求定制;
5、應用于醫療設備、半導體設備、閥門控制、X-Y工作臺、手持式儀器或任何需要精確直線運動的地方。
15817488109
命名規則:
24C5550H1-X-□□□
規格 | 說明 |
24 | 電機外徑:60mm |
C | 電機類型:固定軸式 |
55 | 機身長度:55mm |
50 | 額定電流:5.0A |
H1 | 絲桿代碼 |
X | 配件代碼:E1(1000線編碼器)、E2(2000線編碼器)、 B(剎車)、C(一體式) |
□ | 絲桿長度:□mm |
□□□ | 絲桿端部加工定制表:G光軸、A一字槽、M內螺紋 |
電機參數:
產品型號 | 電壓 | 額定 電流 | 保持 力矩 | 機身長 | 推薦 驅動器 |
24C5550H1-X-□□□ | 2.1V | 5A | 1.5N.m | 55mm | 脈沖型S-245D/ S-266D |
24C7550H1-X-□□□ | 2.9V | 5A | 2.5N.m | 75mm |
漢德保電機可根據客戶要求定制:繞線參數、出線方式。
漢德保其他類型驅動器有:功能型(開關型、模擬量型)、總線型(RS485、CANopen、EtherCAT等)
絲桿參數:
產品型號 | 絲桿直徑(mm) | 導程(mm) | 步長(mm) | 斷電自鎖力(N) |
H2 | 9.525 | 1.27 | 0.00635 | 800 |
H5 | 2.54 | 0.0127 | 300 | |
H8 | 5.08 | 0.0254 | 90 | |
H11 | 10.16 | 0.0508 | 30 | |
H13 | 25.4 | 0.127 | 6 |
請注意:其他絲桿直徑、導程可根據客戶要求定制。
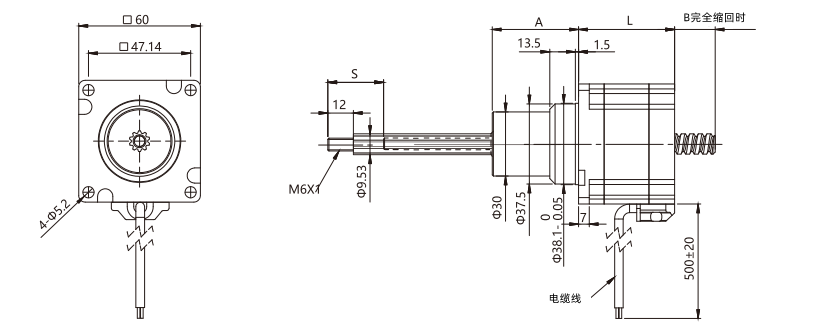
行程參數:
行程S(mm) | 尺寸A(mm) | 尺寸B(mm) | |||
L-45 | L-55 | L-65 | L-75 | ||
12.7 | 24.1 | 0.6 | 0 | 0 | 0 |
19.1 | 30.5 | 7 | 0 | 0 | 0 |
25.4 | 36.8 | 13.3 | 4.3 | 0 | 0 |
31.8 | 43.2 | 19.7 | 10.7 | 0 | 0 |
38.1 | 49.5 | 26 | 17 | 6 | 0 |
50.8 | 62.2 | 38.7 | 29.7 | 18.7 | 8.7 |
63.5 | 74.9 | 51.4 | 42.4 | 31.4 | 21.4 |

請注意:
1、絲桿端頭可根據客戶要求加工;
2、電機可選配剎車和編碼器;
3、絲桿長度可定制。
安裝方法:
1、請盡量考慮散熱線、防止振動的問題,將電機牢牢地固定在強韌的金屬面上。
2、務必用電機前端蓋的安裝凸臺定位,并注意公差配合,嚴格保證電機輸出軸與負載的同心度。

以上曲線是用S-245D/S-266D雙極性恒流斬波步進驅動器,在24VDC條件下進行測試的。不同測試條件與運行工況將導致性能有所差異,合理的加減速將有助于提高電機性能,此處僅作參考,為確保使用壽命和可靠性,建議選用產品時留有50%以上余量。
上一款產品:60mm貫穿式直線絲桿步進電機
下一款產品:60mm固定軸式直線絲桿閉環步進電機