1、螺母往復運動;
2、最大推力120N;
3、簡化結構設計,降低結構成本;
4、機身長度、絲桿長度、導程可根據客戶要求定制;
5、應用于醫療設備、半導體設備、X-Y工作臺、需要精確直線運動的地方。
15817488109
命名規則:
11E3410G02-X-□□□
規格 | 說明 |
11 | 電機外徑:28mm |
E | 電機類型:外部驅動式 |
34 | 機身長度:34mm |
10 | 額定電流:1.0A |
G1 | 滾珠絲桿 |
□ | 絲桿導程 |
□ | 絲桿長度 |
□ | 配件代碼:E1(1000線編碼器)、E2(2000線編碼器)、 B(剎車)、C(一體式) |
□□□ | 絲桿端部加工定制表:G光軸、A一字槽、M內螺紋 |
電機參數:
產品型號 | 電壓 | 額定 電流 | 保持 力矩 | 機身長 | 推薦 驅動器 |
11E3410G0802-X-□□□ | 2.1V | 1A | 0.06N.m | 34mm | 脈沖型S-224D |
11E4510G0802-X-□□□ | 3.7V | 1A | 0.12N.m | 45mm |
漢德保電機可根據客戶要求定制:繞線參數、出線方式。
漢德保其他類型驅動器有:功能型(開關型、模擬量型)、總線型(RS485、CANopen、EtherCAT等)
絲桿參數:
絲桿代碼 | 絲桿直徑 | 導程(mm) | 精度等級 | 定位精度 | 軸向間隙 |
0601 | 6mm | 1 | C7 | ±0.05 | ≤0.03 |
0602 | 2 | ||||
0606 | 6 | ||||
0801 | 8mm | 1 | |||
0802 | 2 |
請注意:其他絲桿直徑、導程可根據客戶要求定制。

溫馨提示:
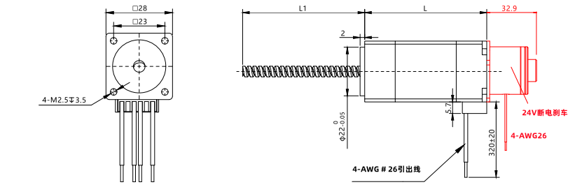
1、絲桿端頭可根據客戶要求加工;
2、電機可選配剎車和編碼器;
3、絲桿長度可定制。
安裝方法:
1、請盡量考慮散熱線、防止振動的問題,將電機牢牢地固定在強韌的金屬面上。
2、務必用電機前端蓋的安裝凸臺定位,并注意公差配合,嚴格保證電機輸出軸與負載的同心度。

以上曲線是用S-224D雙極性恒流斬波步進驅動器,在24VDC條件下進行測試的。不同測試條件與運行工況將導致性能有所差異,合理的加減速將有助于提高電機性能,此處僅作參考,為確保使用壽命和可靠性,建議選用產品時留有50%以上余量。
上一款產品:28mm外部驅動式直線絲桿閉環步進電機
下一款產品:28mm外部驅動式直線絲桿滾珠閉環步進電機