出軸方式:提供單扁、雙扁、鍵槽、滾齒等多種出軸方式;
引線方式:根據不同的應用需求,提供定制化的繞線及出線方式;
配件選擇:可加配行星減速機,斷電剎車;
使用時注意公差配合,電機與驅動器連接時,請勿接錯相。



15817488109
步進電機不是恒轉矩電機,運行轉速越高輸出轉矩會越小,所以關注電機保持轉矩參數的同時更應當關注在實際,工作轉速下電機的輸出轉矩(可參考動態力矩曲線圖);并且我們建議預留1.5倍的余量,以免出現過載情況下步進電機丟步的現象。
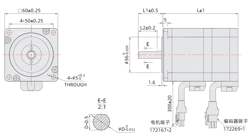
型號 | 保持力矩 (N.m) | 額定電流 (A) | 轉動慣量 (g.cm2) | 機身長 (mm) | 零位 信號 | 編碼器 輸出電路 | 編碼器 分辨率 | 推薦驅動器 |
SSM2403 | 2.1 | 5.0 | 490 | 79 | 有 | 差分輸出 | 2500 | SSD60H 24-80VDC |
SSM2404 | 3.0 | 5.0 | 690 | 107 |
以上列表的“推薦驅動器”為脈沖型步進電機驅動器,還可以為客戶提供:
總線型步進驅動器(RS485、CANopen、EtherCAT等通訊控制);智能型步進驅動器(電位器調速、內置PLC編程等功能)。



上一款產品:57mm二相閉環伺服電機
下一款產品:86mm二相閉環伺服電機